- Ürün Kodu: 0371016
- Yorum Yap
- Marka: BADA
- %7indirim39.721 TL36.940 TLKARGO BEDAVA
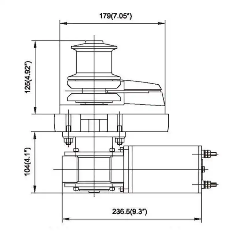
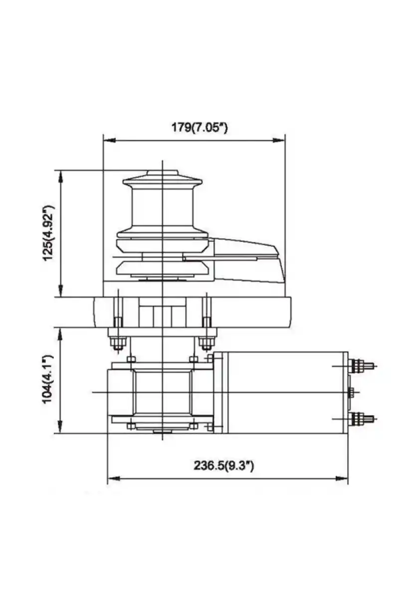
BADA C912C TAMBURLU IRGAT, 12V - 900W, 6MM
Havale/EFT ile 35.832 TL
Stok sorunuz.
Hızlı Gönderi
Güvenli Alışveriş
İade ve Değişim



























